Тип реле давления РД-2Р, РД-2Р модель 35 Росма (или прессостат) применяется для переключения электрических цепей в зависимости от изменения давления среды. Это должны быть неагрессивные к медным сплавам жидкие или газообразные, не вязкие и не кристаллизующиеся среды с максимальной температурой до 110 °C (воздух, масло, вода, хладоны).
Принцип работы реле заключается в следующем: когда значение давления в системе достигает определенной уставки, заданной заранее, происходит переключение однополюсного перекидного контакта. И затем реле срабатывает, замыкая или размыкая электрическую цепь.
В момент, когда давление изменяется на величину настраиваемого дифференциала, реле возвращает контакт в исходное положение. Реле давления относится к категории автоматических устройств.
Универсальность прибора заключается в возможности работать как при повышении, так и при понижении давления.
Область применения: системы теплоснабжения, вентиляции, водоснабжения, машиностроительная отрасль, защита различных механизмов. В частности, реле устанавливаются в насосных установках для защиты от сухого хода, вызванного резким снижением давления в системе. В компрессорах обеспечивают работу агрегата в автоматическом режиме.
Технические характеристики
| Рабочий диапазон, МПа | Дифференциал, МПа (настраиваемый) | Р перегруз. макс, МПа |
|---|---|---|
| −0,05…0,3 | 0,035…0,15 | 1,6 |
| −0,07…0,6 | 0,06…0,4 | 1,6 |
| −0,02…0,8* | 0,07…0,4* | 1,6* |
| −0,02…0,8** | 0,04…0,15** | 1,6** |
| 0,1…1 | 0,1…0,3 | 1,6 |
| 0,5…1,6 | 0,1…0,4 | 3,5 |
| 0,5…2,4 | 0,2…0,5 | 3,5 |
| 0,5…3 | 0,5…1 | 3,5 |
* — для РД-2Р модель 35 G¼
** — для РД-2Р модель 35 G½
Пример обозначения
Пример обозначения: РД-2Р − 1 МПа − G¼

- Воспроизводимость → ±2%
- Контакты → Однополюсный перекидной контакт
- Электрические характеристики
- 8А ~220 В
- 16А ~110 В
- Диапазон рабочих температур, °C
- Окружающая среда → -10…+70
- Контролируемая среда → -10…+110
- Корпус → Алитированная сталь 10
- Степень защиты корпуса → IP44
- Крышка → Пластик, цвет белый
- Штуцер и накидная гайка → Хромированная сталь 10
- Кронштейн и механизм → Анодированная сталь 10
- Сильфон → Медный сплав
- Шкала → Алюминий, цвет черный
- Стекло → Органическое
- Способ присоединения
- РД-2Р — штуцер под развальцовку с накидной гайкой G¼ для крепления капиллярной трубки (Ø8 мм)
- РД-2Р модель 35 — резьба G¼ или G½
- Варианты монтажа
- На приборную панель или с помощью кронштейна
- Надежность → 100 000 циклов
- Климатическое исполнение
- Группа В3 по ГОСТ Р 52931; климатическое исполнение УХЛ категории 3.1 по ГОСТ 15150
- Техническая документация
- ТУ 4218-001-4719015564-2010
- ГОСТ 26005–83
Дополнительное оборудование
- Бобышки из углеродистой стали
- Капиллярная трубка для РД-2Р, РД-2Р модель 35
Руководство по монтажу и эксплуатации
| Тип | Способ монтажа | Ø кабеля, мм |
|---|---|---|
| РД-2Р модель 35 | Кабельный ввод | 6 − 14 |
| РД-2Р | Резиновый уплотнитель | до 12 |
Монтаж реле давления РД-2Р выполняется на приборную панель или с помощью кронштейна. Развальцованная капиллярная трубка присоединяется к штуцеру с помощью накидной гайки.
Электрический кабель подключается согласно схеме:

Схема подключения электрических контактов представлена также на внутренней стороне крышки изделия.
☞ Рекомендации по выбору и монтажу реле давления Росма — читать статью
Техническое обслуживание реле давления (прессостата) в процессе эксплуатации заключается во внешнем осмотре крепления на объекте, в проверке заземления и перенастройке изделия по мере необходимости изменения режима работы агрегата и устранению дефектов.
Перенастройку диапазона производится следующим образом:
- вращать регулировочный винт «Давление» для установки значения уставки (диапазона) по часовой стрелке, если необходимо уменьшить уставку, и против часовой стрелки, если необходимо увеличить;
- вращать регулировочный винт «Дифференциал» для установки значения дифференциала (зоны возврата) по часовой стрелке, если необходимо увеличить зону возврата, и против часовой стрелки, если уставку необходимо уменьшить.
Если при изменении давления контролируемой среды относительно уставки на величину, большую зоны возврата, отсутствует электрический сигнал, необходимо:
- проверить кабельный ввод и жилы кабеля на отсутствие обрыва жил кабеля и надежность контактных соединений, устранить дефекты;
- прочистить отверстие в ниппеле чувствительной системы медной или латунной проволокой.

- Уплотняемый ввод для кабелей Ø до 14 мм.
- Контактная группа с удобным подключением проводов
- Однополюсный перекидной контакт с возможностью нагрузки до 16А (~110 В), 8А (~220 В)
- Стальной штуцер с возможностью подключения реле к линии как напрямую, так и через капиллярную трубку
- Сильфон из медного сплава
- Защитная скоба, предотвращающая несанкционированное изменение настроек реле
- Простая и удобная настройка уставок срабатывания
- Корпус с верхней крышкой обеспечивает степень защиты до IP44
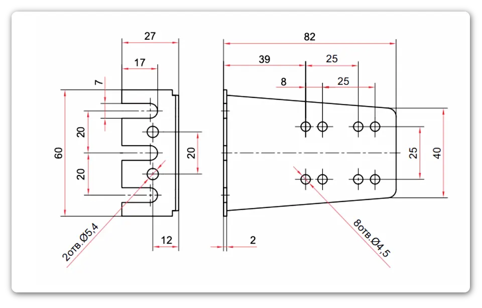
Габаритные и присоединительные размеры




