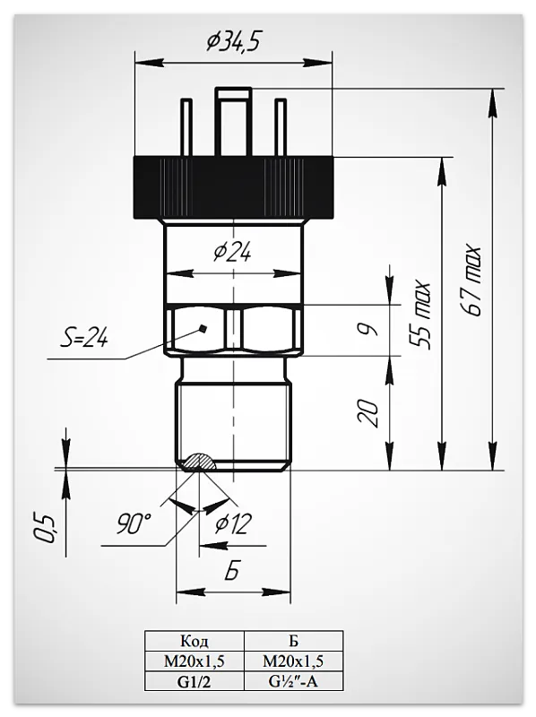
Перед началом монтажных работ по установке и подключению преобразователя давления СДВ-И «Коммуналец» необходимо ознакомиться с габаритными и присоединительными размерами датчика.
Ниже представлен габаритный чертеж преобразователей СДВ-И «Коммуналец» с кодом М20х1,5 и G1/2 присоединительного размера (монтажной части) для соединения с внешней гидравлической (пневматической) линией и заземлением.

| Код | Б |
|---|---|
| М20 х 1,5 | М20 х 1,5 |
| G1/2 | G1/2″ — A |


Рекомендуемые монтажные гнёзда для установки преобразователей СДВ-И Коммуналец
Монтажное гнездо для преобразователей:

Рекомендуемые размеры монтажных гнёзд для установки преобразователей давления СДВ-И Коммуналец на трубопроводах (размеры даны в миллиметрах):
| d | d1 | d2 | L1 | L2 |
|---|---|---|---|---|
| М20 х 1,5 | 12 | 3,2 | 18 | 3,5 |
| G1/2″ | 12 | 3,2 | 18 | 3,5 |

☞ Рекомендуем ознакомиться с дополнительной информацией по данному прибору:
- Схема подключения и настройка датчика давления СДВ-И Коммуналец
- Техническое обслуживание и эксплуатация датчика
- Виды и модели СДВ-И «Коммуналец», цена
Предыдущая запись Схема подключения и настройка датчика давления СДВ-И «Коммуналец»
