Тепловычислитель ТВ7 М, схемы подключения которого представлены в данной статье, отличается числом подключаемых датчиков/преобразователей. Диаметр кабеля, пропускаемого через кабельные вводы тепловычислителя ТВ7 (ТВ7М), выбирается от 4 до 8 мм. Сечение проводников, подключаемых к разъемам, должно быть 0,12–0,5 мм2.
Если в радиусе до 10 метров от тепловычислителя ТВ7 и первичных датчиков (преобразователи температуры, давления, расхода) отсутствуют силовые проводники с индуктивной нагрузкой более 1 А (трансформаторы, сварочные аппараты, двигатели) и прочие источники электромагнитных помех, то линии связи с датчиками допускается прокладывать неэкранированными кабелями.
При наличии вышеперечисленных источников электромагнитных помех линии связи с датчиками рекомендуется выполнять экранированными кабелями либо прокладывать в металлических трубах или металлорукавах. При этом для прокладки сигнальных линий можно применить общий кабель.
Экраны кабелей должны быть электрически соединены между собой (только в одной точке) и общим проводом прибора. Для этой цели использовать контакты 1В..4В разъемов Х4 или Х5. Пример подключения приведен на рисунке.
Подключение импульсных счетчиков (расходомеров)

⚠︎ Запрещается присоединение экранов к любым посторонним цепям, включая заземления и зануления. Следует применять кабели, имеющие изоляцию поверх экрана.
Внешние устройства (модем, компьютер), подключаемые по интерфейсу RS232, должны иметь защиту от импульсных перенапряжений и помех (грозозащиту) с подсоединением к линии защитного заземления. Защитное заземление ТВ7 от поражения электрическим током не требуется.
Преобразователи расхода (счетчики воды или расходомеры) подключаются 2-х жильным кабелем длиной до 500 м.
К импульсному входу ТВ7 могут подключаться устройства с питанием их выхода от тепловычислителя (пассивный тип) или от собственного источника (активный тип).
Подключение термопреобразователей сопротивления
Термопреобразователь сопротивления подключается 4-х жильным кабелем длиной до 500 м при условии, что сопротивление каждой жилы кабеля не превышает 100 Ом.
Варианты подключения датчиков температуры в зависимости от исполнения показаны на рисунке.

Подключение термопреобразователей сопротивления к тепловычислителю ТВ7 М
- Подключение термопреобразователя сопротивления по 4-проводной схеме
- Подключение 2-х проводных термопреобразователей сопротивления
☞ Схема подключения на рисунке б) относится только к термопреобразователям с неразъемным двухпроводным кабелем. Наращивание неразъемного двухпроводного кабеля не допускается!!!
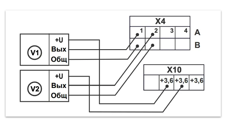
Подключение ультразвуковых расходомеров
Для питания ультразвуковых расходомеров без собственного источника питания предусмотрен клеммник Х10. На контакты 2…4 выводится напряжение 3,6 В. Схема подключения ультразвуковых расходомеров расходомеров приведена на рисунке.

Пример подключения ультразвуковых счетчиков с питанием от тепловычислителя ТВ7
⚠︎ При подключении ультразвуковых расходомеров к вычислителю с автономным питанием использовать батарею питания типа D!
Подключение датчиков давления
Датчики давления подключаются 2-х жильным кабелем длиной до 500 м.
Подача питания на датчик давления организовано через контакты группы А разъемов Х6 и Х7 (см. рисунок тепловычислитель ТВ7 схемы подключения). Питание на группы датчиков давления может подаваться от блока питания тепловычислителя ТВ7 при установленных джамперах JMP1 и/или JMP2 или непосредственно на контакты А при снятых джамперах JMP1 и/или JMP2.
Данное решение позволяет использовать различные варианты подключения преобразователей давления.

Варианты подключения датчиков давления к тепловычислителю ТВ7 (ТВ7М):
- Вариант 1. Индивидуальное питание датчика давления

Вариант 2. Схема питания датчиков давления от блока питания тепловычислителя ТВ7

Вариант 3. Схема раздельного питания датчика давления и тепловычислителя ТВ7

Вариант 4. Подключение датчиков давления к ТВ7-04.1М Лайт

☞ При наличии встроенного адаптера интерфейса RS485/Ethernet питание датчиков давления выполняется от собственного БП.
