Клапан регулирующий седельный проходной Ридан VFM-2R предназначен для применения в системах тепло- и холодоснабжения зданий. Клапан может сочетаться со следующими электрическими приводами Ридан:
- ARV(E)–1000R (DN 15–50) через адаптер
- AMV(E)–1800R (DN 65–80)
- AMV(E)–3000R (DN 100–250)
- AMV(E)–6500R (DN 250)
- AMV(E)–10KR (DN 300)
Отличительные особенности
- Двойная линейная характеристика регулирования (DN 15–50).
- Линейная-логарифмическая (DN 65–300).
- Динамический диапазон регулирования:
- 50:1 (DN 15–50),
- >50:1 (DN 65–300).
- Разгруженный по давлению.
Основные характеристики
- Условный проход: DN = 15–300 мм.
- Пропускная способность: КVS = 0,25–990 м3/ч.
- Условное давление: PN = 25 бар (для DN 15–50), 16 бар (DN 65–300).
- Регулируемая среда:
- вода или 30 % (для DN 15–50);
- 50 % водный раствор гликоля.
- Температура регулируемой среды:
- +2…150 °C (для DN 15-50);
- –5…150 °C для DN 15-200 (при температуре ниже 0 °С требуется подогреватель штока 065Z7020R);
- 0…150 °C для DN 250-300.
- Присоединение к трубопроводу: фланцевое EN 1092-2.
Номенклатура и коды для оформления заказа

1) ΔPmax — максимально допустимый перепад давления, преодолеваемый электроприводом при закрытии и работе клапана. В скобках указано значение для привода с меньшим усилием.
Дополнительные принадлежности
| Наименование | Кодовый номер |
|---|---|
| Адаптер для присоединения клапанов VFM-2R DN 15–50 к электроприводам ARV(E) 1000R | 065Z0311R |
☞ Адаптер для присоединения клапанов VFM-2R DN 65–300 к электроприводам ARV(E)-1800R, ARV(E)-3000R, ARV(E)-10KR не требуется.
Технические характеристики

Условия применения

При монтаже клапана необходимо убедиться, чтобы направление движения регулируемой среды совпадало с направлением стрелки на его корпусе.
Перед монтажом клапана трубопроводная система должна быть промыта, соединительные элементы трубопровода и клапана размещены на одной оси, клапан защищен от напряжений со стороны трубопровода.
Клапан может быть установлен в любом положении, кроме положения электроприводом вниз. Необходимо предусмотреть достаточное пространство вокруг клапана с электроприводом для их демонтажа и обслуживания.
Электропривод может быть повернут вокруг своей оси в удобное для обслуживания положение, для чего следует ослабить крепление привода на клапане.
Характеристики регулирования

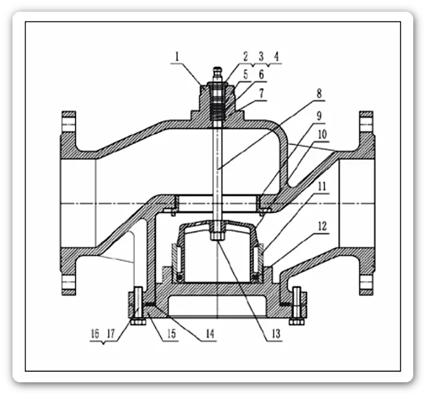
Устройство клапана (DN 65–300)

- корпус клапана
- сальниковый блок
- сальниковый блок
- сальниковый блок
- уплотнительные кольца
- опорное кольцо
- пружина
- шток
- седло
- конус (разгружен по давлению)
- направляющая камеры разгрузки
- уплотнительные кольца
- гайка штока
- прокладка
- крышка клапана
- пружинная шайба
- болт
Габаритные и присоединительные размеры


☞ Выбор типоразмера клапана
