Электрическое питание вычислителя ВКТ-9 осуществляется от встроенного литиевого элемента питания или от внешнего источника питания (только исполнение вычислителя с модулем питания).

Автономное питание
В вычислителе установлен литиевый элемент питания с номинальным напряжением 3,6 В и номинальной ёмкостью 8200 мА·ч.
Расчётный срок автономной (от встроенного элемента питания) работы вычислителей любой модели: не менее 4-х лет. Вычислители осуществляют контроль разряда и оценку оставшегося ресурса элемента питания.
Сетевое питание
⚠︎ Необходимо применять тепловычислитель ВКТ-9 с модулем питания (для питания вычислителя от внешнего источника), если предполагается использовать дискретные выходы, применять интерфейсы более пяти часов в месяц, обеспечивать питание преобразователей давления со стороны вычислителя! ВКТ-9 с модулем питания (отдельно модуль питания) поставляется ТОЛЬКО по заказу!

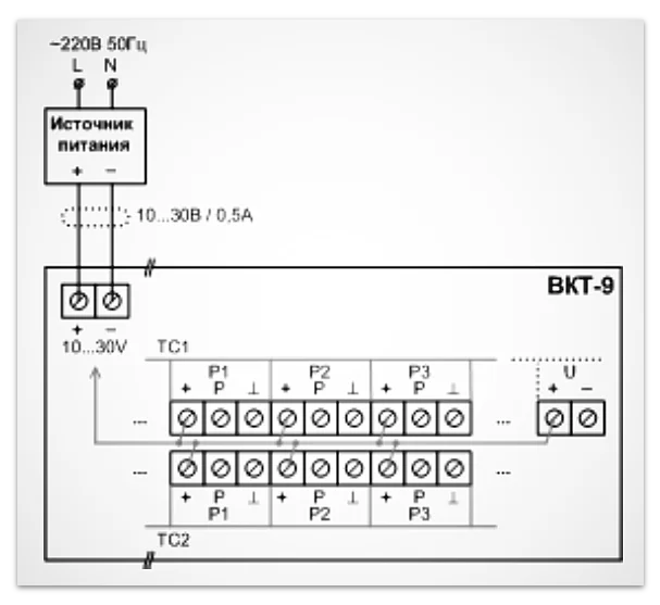
В качестве внешнего электропитания применяют источник питания с выходным напряжением от 10 до 30 В постоянного тока (например: блок питания 10ВР220-24Д или АС-220-S-24-200).

Для подключения источника питания предназначен вход питания (10…30V) вычислителя. Ток, потребляемый вычислителем с модулем питания (без учёта потребления датчиков давления и других внешних устройств): не более 500 мА.
В вычислителе ВКТ-9 с модулем питания установлен литиевый элемент питания, обеспечивающий функционирование вычислителя в случае отсутствия напряжения от внешнего источника питания. Контроль разряда и оценка оставшегося ресурса элемента питания осуществляется как при питании вычислителя от внешнего источника, так и при автономной работе.
Схема подключения внешнего питания

- Входы ТС2.P1(2,3) – только в вычислителе модели ВКТ-9-02.
- На входах ТС1.P1(2,3) и ТС2.P1(2,3), а также на выходе U имеется напряжение, равное выходному напряжению внешнего источника питания.
- Напряжение на входах ТС1.P1(2,3) и ТС2.P1(2,3) предназначено для питания ПД.
- Напряжение на выходе U допускается использовать для питания внешних цепей, подключённых к дискретным входам DIN1(2) и к дискретным выходам DOUT1(2).
☞ Рекомендуем ознакомиться с дополнительной информацией по данному прибору:
- Устройство и режимы работы ВКТ-9
- Внешние интерфейсы ВКТ-9
- Дискретные входы и выходы
- Схема подключения датчиков и водосчетчиков
- Как считать архивные показания для отчета
- Ввод в эксплуатацию
- Нештатные ситуации и коды ошибок
- Типовые проекты УУТЭ с ВКТ-9
